Аэродинамическая защита от осадков и ветра: интегрированная конструкция защитного колпака и направляющего кожуха предотвращает попадание дождя внутрь и снижает влияние внешнего ветрового давления, обеспечивая стабильную работу в сложных погодных условиях.
Стабильная работа с низким уровнем шума: оптимизация балансировки рабочего колеса и виброизоляции снижает вибрации и шум воздушного потока, подходит для зданий с повышенными требованиями к акустическому комфорту.
Использование высокоустойчивых к погодным условиям материалов: корпус из оцинкованной стали или с антикоррозионным покрытием повышает устойчивость к коррозии и продлевает срок службы оборудования при наружной установке.
Широкое применение в крышной вентиляции: подходит для промышленных цехов, коммерческих зданий, складских комплексов и общественных объектов, с возможностью индивидуального подбора расхода воздуха и конструкции под проект.
Введение продукта
В зависимости от области применения пользователи могут выбрать один из двух типов вентиляторов:
A. Осевой крышный вентилятор (DWT-I)
B. Центробежный крышный вентилятор (DWT-II)
Bентилятор на крышу – это устройство механической вентиляции, устанавливаемое на крыше здания и специально разработанное для обеспечения эффективного воздухообмена между внутренним пространством здания и окружающей средой. Его основная функция заключается в создании воздушного потока посредством вентилятора, который выводит отработанный воздух, тепло или дым непосредственно в атмосферу, одновременно подавая свежий воздух за счет отрицательного давления, создавая эффективный вентиляционный цикл. Это устройство устанавливается непосредственно на крыше, что исключает необходимость в помещении и подходит для всех типов зданий, требующих комплексной вентиляции.
Крышный вентилятор состоит из корпуса вентилятора, двигателя, рабочего колеса, основания, защитного экрана и колпака. Корпус вентилятора обычно имеет обтекаемую форму для уменьшения сопротивления воздуха. Основание соединено с гидроизоляционным основанием крыши для обеспечения герметичности, а колпак защищает от дождя и снега. Во время работы двигатель приводит во вращение рабочее колесо, создавая центробежный или осевой поток воздуха, забирая воздух из помещения и выбрасывая его наружу через вертикальные воздуховоды.
Основные области применения:
Промышленные здания: охлаждение цехов, вытяжка технологических процессов и дымоудаление.
Коммерческие объекты: атриумы торговых центров, подземные гаражи и вытяжка кухонь.
Общественные здания: вентиляция и воздухообмен в спортивных залах, театрах и выставочных залах.
Складское хозяйство и логистика: охлаждение складов и влагозащищенная вентиляция для хранения материалов.
Технические характеристики
При выборе крышного вентилятора необходимо учитывать реальные условия работы системы вентиляции, включая высокотемпературный вытяжной воздух, стандартную вентиляцию или среды с содержанием масла и пыли. На основании этого определяется термостойкость оборудования, конструкция и уровень надёжности. Для промышленных объектов с непрерывной работой и крупных общественных зданий рекомендуется выбирать модели с высоконадёжными двигателями и усиленной конструкцией крыльчатки для обеспечения стабильной и длительной работы.
Также важно учитывать конструкцию кровли и схему воздухообмена, подбирая оборудование под вертикальную вытяжку, низкое сопротивление системы или централизованную вентиляцию больших помещений. Необходимо правильно согласовать расход воздуха с сопротивлением системы, чтобы избежать недостаточной производительности или избыточного энергопотребления. В условиях высокой влажности, прибрежных зон или агрессивной среды рекомендуется использовать антикоррозийные исполнения для увеличения срока службы. Оборудование поддерживает индивидуальную настройку, включая характеристику расхода воздуха, класс двигателя и материалы конструкции, что позволяет адаптировать его под различные вентиляционные системы.
1.Параметры производительности осевого крышного вентилятора DWT-I
| Диаметр рабочего колеса | Объём воздуха (m³/h) | Полное давление (Pa) | Скорость вращения (r/min) | Установленная мощность (KW) | Шум dB(A) |
| 1200 | 4400-57000 | 209-196 | 720 | 5.5 | 73 |
| 33000-42000 | 148-126 | 560 | 3 | 67 | |
| 1400 | 57500-76700 | 268-250 | 720 | 7.5 | 77 |
| 51500-69000 | 175-159 | 480 | 4 | 69 | |
| 1500 | 70000-88500 | 208-195 | 720 | 7.5 | 78 |
| 55800-74750 | 165-149 | 480 | 4 | 70 | |
| 1600 | 81500-107500 | 256-235 | 720 | 11 | 79 |
| 42600-61000 | 167-131 | 320 | 4 | 70 | |
| 1800 | 96450-129300 | 287-261 | 720 | 15 | 80 |
| 74300-96350 | 146-122 | 480 | 5.5 | 71 | |
| 62500-79150 | 148-115 | 320 | 4 | 66 | |
| 2000 | 131000-168700 | 247-215 | 480 | 15 | 78 |
| 95200-125500 | 132-118 | 320 | 5.5 | 68 | |
| 2200 | 165000-201600 | 210-193 | 480 | 15 | 79 |
| 119500-155000 | 155-135 | 320 | 7.5 | 71 | |
| 2400 | 176500-220800 | 246-212 | 480 | 18.5 | 84 |
| 135000-175000 | 188-148 | 320 | 11 | 77 | |
| 85000-140000 | 171-150 | 220 | 7.5 | 70 |
| Диаметр рабочего колеса | Объём воздуха (m³/h) | Полное давление (Pa) | Скорость вращения (r/min) | Установленная мощность (KW) | Шум dB(A) |
| 300 | 2600-3300 | 231-181 | 2850 | 0.37 | 66 |
| 1450-1650 | 72-62 | 1450 | 0.06 | 52 | |
| 400 | 5300-74500 | 250-193 | 2850 | 0.75 | 69 |
| 4580-5700 | 190-176 | 1450 | 0.55 | 67 | |
| 500 | 5600-8000 | 191-135 | 1450 | 0.55 | 68 |
| 6400-7000 | 131-113 | 960 | 0.37 | 63 | |
| 4100-6000 | 96-88 | 720 | 0.25 | 58 | |
| 600 | 13000-15000 | 267-232 | 1450 | 1.5 | 73 |
| 9100-11000 | 193-168 | 960 | 1.1 | 63 | |
| 7600-8500 | 136-111 | 720 | 0.55 | 62 | |
| 700 | 12500-17500 | 212-165 | 960 | 1.5 | 69 |
| 9200-12000 | 177-141 | 720 | 0.75 | 67 | |
| 7200-9300 | 102-83 | 560 | 0.55 | 59 | |
| 800 | 23000-27000 | 228-175 | 960 | 2.2 | 72 |
| 16000-20000 | 167-129 | 720 | 1.5 | 66 | |
| 12250-15750 | 121-78 | 560 | 0.75 | 63 | |
| 900 | 24000-34500 | 256-202 | 960 | 3 | 76 |
| 24000-34500 | 177-126 | 720 | 2.2 | 73 | |
| 18600-24000 | 126-102 | 560 | 1.1 | 67 | |
| 1000 | 39000-50000 | 317-251 | 960 | 5.5 | 81 |
| 35000-46000 | 183-141 | 720 | 3 | 76 | |
| 20000-28000 | 133-111 | 560 | 1.5 | 79 | |
| 1200 | 40000-52500 | 183-138 | 720 | 3 | 77 |
| 10400-56900 | 322-235 | 960 | 5.5 | 82 | |
| 25000-32000 | 142-111 | 560 | 1.5 | 71 |
2.Параметры производительности центробежного крышного вентилятора DWT-II
| Диаметр рабочего колеса | Объём воздуха (m³/h) | Полное давление (Pa) | Скорость вращения (r/min) | Установленная мощность (KW) | Шум dB(A) | Вес (kg) |
| 300 | 878-1253 | 220-122 | 1450 | 0.75 | ≤57 | 88 |
| 350 | 1395-1990 | 299-166 | 1450 | 1.1 | ≤59 | 95 |
| 400 | 1887-2677 | 412-298 | 1450 | 1.1 | ≤62 | 115 |
| 450 | 1966-4514 | 495-231 | 1450 | 1.1 | ≤63 | 154 |
| 500 | 4068-6113 | 615-378 | 1450 | 2.2 | ≤64 | 195 |
| 600 | 5024-7338 | 385-223 | 1450 | 1.5 | ≤65 | 234 |
| 700 | 8015-11925 | 548-371 | 960 | 3 | ≤68 | 292 |
| 800 | 12563-16708 | 721-521 | 960 | 5.5 | ≤70 | 374 |
| 1000 | 22150-31436 | 1072-702 | 960 | 7.5 | ≤72 | 396 |
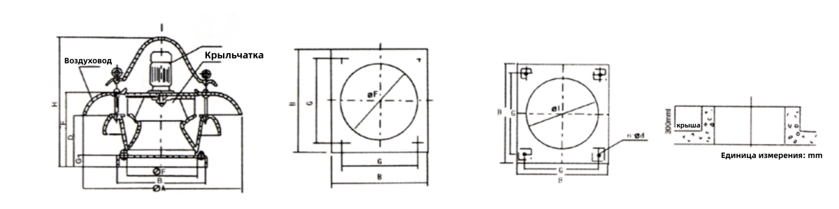
Габаритный чертёж
1.Внешние размеры и установочные размеры осевого крышного вентилятора NO. 3-11.2
| Модель машины | φA | φD | B | G | C | E | H | M(d1)xL1 | Вес(kg) |
| 3 | φ650 | φ300 | 370 | 300 | 380 | 300 | 545 | M8X250 | 15 |
| 4 | φ650 | φ400 | 470 | 400 | 480 | 340 | 585 | M12X250 | 28 |
| 5 | φ1000 | φ500 | 570 | 500 | 580 | 390 | 715 | M12X300 | 37 |
| 6 | φ1000 | φ600 | 670 | 6000 | 680 | 440 | 765 | M12X300 | 57 |
| 7 | φ1340 | φ700 | 800 | 700 | 780 | 480 | 950 | M12X300 | 85 |
| 8 | φ1340 | φ800 | 900 | 800 | 880 | 480 | 950 | M12X350 | 124 |
| 9 | φ1650 | φ900 | 1000 | 900 | 980 | 480 | 950 | M12X350 | 146 |
| 10 | φ1800 | φ1100 | 1100 | 1000 | 1080 | 480 | 1105 | M12X350 | 216 |
| 11 | φ1800 | φ1120 | 1240 | 1120 | 1200 | 480 | 1102 | M16X350 | 258 |
2.Внешние размеры и установочные размеры осевого крышного вентилятора NO. 12-18 (с переменным углом наклона)
| Модель машины | φA | φD | B | G | C | E | H | M(d1)xL1 | Вес(kg) |
| 12 | φ1800 | φ1200 | 1360 | 1200 | 1300 | 500 | 1126 | M8X250 | 279 |
| 14 | φ2500 | φ1400 | 1560 | 1400 | 1500 | 600 | 1350 | M12X250 | 357 |
| 15 | φ2500 | φ1500 | 1700 | 1520 | 1620 | 600 | 1350 | M12X300 | 386 |
| 16 | φ3000 | φ1600 | 1800 | 1620 | 1720 | 600 | 1460 | M12X300 | 397 |
| 18 | φ3000 | φ1800 | 2000 | 1860 | 1960 | 600 | 1460 | M12X300 | 582 |
3.Внешние размеры и установочные размеры центробежного крышного вентилятора
| Модель машины | A | B | C | D | E | φF | G | H | 4-φD |
| 3 | 690 | 430 | 80 | 277 | 382 | 300 | 702 | 350 | 16 |
| 3.5 | 805 | 480 | 80 | 298 | 418 | 350 | 758 | 400 | 16 |
| 4 | 902 | 520 | 80 | 328 | 463 | 400 | 803 | 120 | 16 |
| 4.5 | 1035 | 570 | 80 | 343 | 193 | 450 | 833 | 470 | 18 |
| 5 | 1150 | 640 | 100 | 383 | 548 | 500 | 948 | 500 | 18 |
| 6 | 1460 | 820 | 100 | 431 | 626 | 630 | 1026 | 650 | 20 |
| 7 | 1610 | 910 | 120 | 509 | 734 | 700 | 1229 | 730 | 20 |
| 8 | 1840 | 1050 | 140 | 563 | 818 | 800 | 1353 | 800 | 20 |
| 10 | 2300 | 1300 | 140 | 688 | 970 | 1000 | 1560 | 1000 | 20 |
Упаковка и доставка
После испытаний производительности и проверки динамической балансировки вентилятор на крышу переходит к этапу погрузки и отправки. Перед отгрузкой выполняется дополнительное усиление крыльчатки и корпуса, что снижает влияние вибраций при длительной транспортировке и обеспечивает стабильное состояние оборудования.
Оборудование применяется в промышленных цехах, логистических складах и системах вытяжной вентиляции крупных зданий. Отличается высокой эффективностью воздухообмена и возможностью длительной непрерывной работы. Поддерживаются различные уровни антикоррозийной защиты, диапазоны производительности и конструктивные исполнения в соответствии с требованиями проекта.
О компании
Компания Dezhou Xuri Air Conditioning Equipment Co., Ltd. основана в 1991 году и находится в промышленной зоне Луцюаньтунь, уезда Учэн, провинции Шаньдун. Производственные площади составляют 28 000 м², штат насчитывает более 200 сотрудников. Предприятие оснащено более чем 80 единицами современного оборудования и является высокотехнологичным производителем, специализирующимся на разработке, производстве и обслуживании систем центрального кондиционирования и климатической техники.
В продуктовую линейку входят фанкойлы различных типов (в том числе напольные), тепловые насосы (водяные и воздушные), модульные кондиционерные установки, тепловентиляторы, воздушные завесы и прессованные водяные баки. Оборудование Xuri успешно применяется в более чем 20 провинциях Китая и заслужило высокую репутацию за качество и надёжность.
Компания сертифицирована по стандарту ISO 9001 и имеет лицензию на промышленное производство. Xuri является активным членом ведущих профильных HVAC-ассоциаций Китая. Придерживаясь принципа «Совершенство в деталях — ответственность в каждом решении», компания предлагает проверенные климатические решения и стабильно укрепляет свои позиции на рынке.
FAQ
1.Как выбрать правильный тип крышного вентилятора?
Выбирайте вентилятор в зависимости от условий эксплуатации: для общей вентиляции выберите осевой вентилятор; для создания более высокого давления воздуха — центробежный. Для агрессивных сред выберите армированный стекловолокном пластик; для взрывобезопасных зон — двигатели со взрывозащищенными двигателями. Для регионов с дождливой погодой выберите большой вытяжной колпак; для регионов с холодным климатом — защиту от замерзания. Для мест со строгими требованиями к уровню шума выберите модель с низким уровнем шума.
2.В чем преимущества крышных вентиляторов по сравнению с другими способами вентиляции?
Крышные вентиляторы устанавливаются вертикально, что минимизирует путь воздуха и повышает эффективность. Они не занимают площадь пола в помещении и особенно подходят для мест с ограниченным пространством.
Верхнее положение установки эффективно удаляет горячий воздух и дым, скапливающиеся в верхней части.